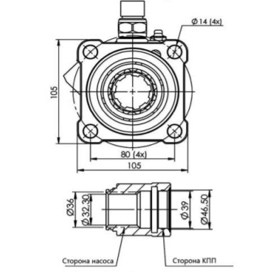
Коробка отбора мощности (КОМ гидравлики) ZF S5-35
- КОМ ZF S5-35 с центральным поршнем 1: 1;
- Непрерывный крутящий момент (Нм): 430;
- Прерывистый крутящий момент (Нм): 602;
- Макс. Мощность (кВт): 45;
- Монтажное положение: сзади;
- Вращение насоса: против часовой стрелки;
- Комплект для левостороннего монтажа: 8031533
Доставка товаров по всей Украине.
Самовывоз с наших складов в Киеве, Львове, Прилуках, Виннице, Ивано-Франковске.
Переходите в каталог гидравлики или обращайтесь к менеджеру для подробной информации.







